Phụ tùng củ phát điện S20W sử dụng cho 3 loại gồm S20 W 2 cực 1 pha. Với công suất từ 6kVA/ 6,6kVA đến 8,5kVA/ 9,35kVA.
Các chứng từ chính hãng khi mua phụ tùng Mecc Alte củ phát điện S20W
Các chứng từ kèm theo khi mua phụ tùng củ phát điện S20W meccalte bao gồm:
- Chứng nhận chất lượng của phụ tùng củ phát điện S20 W (CQ).
- Chứng nhận xuất xứ của phụ tùng củ phát điện S20 W (CO).
- Chứng nhận xuất nhập khẩu của phụ tùng củ phát điện S20 W.
- Tem bảo hành của phụ tùng củ phát điện S20 W.
Mecc Alte Việt Nam là đại lý uỷ quyền chính hãng của Mecc Alte chuyên cung cấp củ phát điện các loại, phụ tùng củ phát điện, bộ điều khiển các loại, bộ sạc ắc quy và các dịch vụ chuyên dụng.
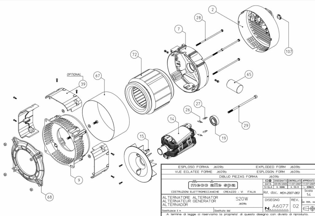
Tên phụ tùng, vị trí và mã số phụ tùng củ phát điện Mecc Alte S 20 W
Tên phụ tùng củ phát điện Mecc Alte S20 W (vị trí) | Mã phụ tùng củ phát điện Mecc Alte S20 W |
| Ốp đuôi củ phát điện – (2) | 9903906401 |
Phần cuối không phải ổ đĩa – (7) | 6102204080 |
| Giá đỡ cuối ổ đĩa (S20W/ B) – (9) | 6102208181 |
Giá đỡ cuối ổ đĩa (S20W/ A) – (9) | 6102208180 |
| Rotor 6 KVA (95) – (14) Rotor 7 KVA (110) – (14) Rotor 8,5 KVA (130) – (14) | |
Quạt – (15) | 9909514063 |
| Vòng bi sau 6205-2RS – (19) | 9900905055 |
Diode SCD 25A 1300V. BA AA05.180 – (26) | 9910356050 |
| Tụ chống sét SR561K10DS400 – (27) | 9910384007 |
Chốt giữ nắp 6 KVA (95) – (28) | 9911190193 |
| Chốt giữ nắp 7 KVA (110) – (28) | 9911190170 |
Chốt giữ nắp 8,5 KVA (130) – (28) | |
| Đinh tán an toàn – (29) | |
Bảo vệ IP23 – (39) | 9909513050 |
| Tụ điện- (65) | |
Băng tần bao quanh 6 KVA (95) – (67) | 8500616052 |
| Băng tần bao quanh 7 KVA (110) – (67) | 8500616054 |
Băng tần bao quanh 8,5 KVA (130) – (67) | |
| Ốp đầu củ phát điện – (68) | |
Stator 6 KVA (115/230 V, 50 Hz) – (72) | 391702013 |
| Stator 7 KVA (115/230 V, 50 Hz) – (72) | 391702014 |
Stator 8,5 KVA (115/230 V, 50 Hz) – (72) | |
| Nút cao su – (107) | 9909505010 |
Phương án BC: Cầu chỉnh lưu 1 pha | 9910390215 |
| Tùy chọn BC: Stator với CB (115/230 V, 50 Hz) | 391702018 |
Tùy chọn BC: Thiết bị đầu cuối sạc pin màu đỏ | 9909506015 |
| Tùy chọn BC: Thiết bị đầu cuối sạc pin màu đen | 9909506030 |
Tùy chọn BC: Giá đỡ cầu chì | 9909922015 |
| Tùy chọn BC: Cầu chì 10A 250V | 9909923017 |
Tham khảo: Phụ tùng S15W
Tham khảo: Phụ tùng S16W
MECC ALTE VIỆT NAM
Địa chỉ: Cầu Sài Gòn, Chung cư L4, Khu Vinhomes Tân Cảng, Điện Biên Phủ, Phường 22, Bình Thạnh, Thành phố Hồ Chí Minh.
Trang web: https://meccalte.vn/
Điện thoại: 0931 004 606
Email: meccaltevn@gmail.com



Đánh giá
Chưa có đánh giá nào.