Phụ tùng củ phát điện ECO40 sử dụng cho 3 loại gồm ECO40 4 cực 3 pha. Với công suất từ 400kVA/ 480kVA đến 750kVA/ 900kVA.
Các chứng từ chính hãng khi mua phụ tùng Mecc Alte củ phát điện ECO40
Các chứng từ kèm theo khi mua phụ tùng củ phát điện ECO40 meccalte bao gồm:
- Chứng nhận chất lượng của phụ tùng củ phát điện ECO40 (CQ).
- Chứng nhận xuất xứ của phụ tùng củ phát điện ECO40 (CO).
- Chứng nhận xuất nhập khẩu của phụ tùng củ phát điện ECO 40.
- Tem bảo hành của phụ tùng củ phát điện ECO 40.
Mecc Alte Việt Nam là đại lý uỷ quyền chính hãng của Mecc Alte chuyên cung cấp củ phát điện các loại, phụ tùng củ phát điện, bộ điều khiển các loại, bộ sạc ắc quy và các dịch vụ chuyên dụng.
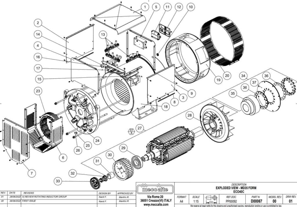
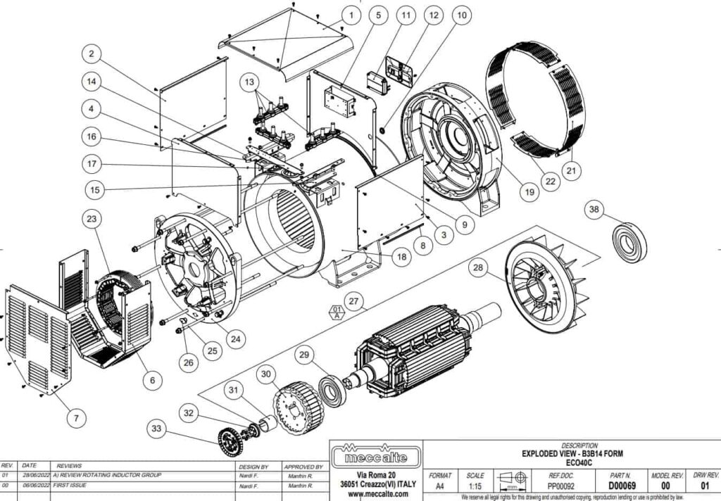
Tên phụ tùng, vị trí và mã số phụ tùng củ phát điện Mecc Alte ECO 40
Tên phụ tùng củ phát điện Mecc Alte ECO 40 (vị trí) | Mã phụ tùng củ phát điện Mecc Alte ECO 40 |
| Nắp hộp trên của điều khiển ECO40C (không sơn) – (1) | 9903910510 |
Nắp hộp bên phải điều khiển ECO40C (không sơn) – (2) | 9903910512 |
| Nắp hộp bên trái điều khiển ECO40C (không sơn) – (3) | 9903910513 |
Nắp hộp phía sau điều khiển ECO40C (không sơn) – (4) | 9903910511 |
| Nắp hộp phía trước điều khiển ECO40C (không sơn) – (5) | 7510603430 |
Vỏ sau ECO40C (không sơn) – (6) | 9903910515 |
| Ốp sau ECO40C (không sơn) – (7) | 9903910514 |
Đệm cao su UL EPDM mờ 8,5×5,5mm (L = 0,57 m) – (8) | 9909515360 |
| Đệm cao su UL EPDM + SP. lờ mờ 15,6×8,4mm (L = 0,64 m) – (9) | 9909515361 |
Máy đo cáp DG21 – (10) | 9909509105 |
| Bộ điều chỉnh điện tử, DER1 / A – (11) | 0391600171 |
Nắp bộ điều chỉnh với tuốc nơ vít – (12) | 9909505310 |
| 1 x Bảng mạch đầu cuối ECO40C với 3 đinh tán M20 (3 chiếc mỗi máy) – (13) | 9909915103 |
1 x đầu nối bằng đồng (2 cái mỗi máy) – (13a) | 7500801033 |
| 1 x Long đền d20 (9 cái mỗi máy) – (13b) | 6110613576 |
1 x Đai ốc M20 (9 miếng mỗi máy) – (13c) | 6110601056 |
| 1 x Bảng mạch đầu cuối Kit 3 chân M20 (13 + 3x13b + 3x13c + sửa chữa phần cứng), (3 miếng mỗi máy) – (13d) | 0392050074 |
Bệ đỡ bên phải, ECO40C – (14) | 9903910521 |
| Bệ đỡ bên trái, ECO40C – (15) | 9903910522 |
Bệ đỡ phía sau, ECO40C – (16) | 9903910523 |
| Máng cáp, lỗ hình bầu dục 150×85 mm – (17) | 9909509097 |
1 x Máng cáp, lỗ 90 mm (2 cái cho mỗi máy) – (17) | 9909509095 |
| Giá đỡ và stato 1S C – (18) | 3501651001 |
Giá đỡ và stato 2S C – (18) | 3501651002 |
| Giá đỡ và stato 3S C – (18) | 3501651003 |
Giá đỡ và stato 1L C – (18) | 3501651004 |
| Giá đỡ và stato 2L C – (18) | 3501651005 |
Giá đỡ và stato 3L C – (18) | 3501651006 |
| Giá đỡ và stato VL C – (18) | 3501651007 |
Giá đỡ cuối ổ đĩa B14, ECO40C – (19) | 6102312550 |
| Giá đỡ cuối ổ đĩa MD35-1/ 2 – (19) | 6102312451 |
Giá đỡ cuối ổ đĩa MD35/ 1 – (19) | 6102312510 |
| Giá đỡ cuối ổ đĩa MD35/ 0 – (19) | 6102312512 |
Giá đỡ cuối ổ đĩa MD35/ 00 – (19) | 6102312454 |
| Màn bảo vệ MD35 – (20) | 8500626335 |
1 x Màn bảo vệ B14, ECO40C (2 miếng mỗi máy) – (21) | 8500626336 |
| 1 x màn bảo vệ trên / dưới B14, ECO40C (2 miếng mỗi máy) – (22) | 8500626337 |
Stato Exciter H-70 12P – (23) | 4500486450 |
| 1 x bu lông giữ stato Exciter (6 cái cho mỗi máy) – (23a) | 6110607476 |
Phần cuối không phải ổ đĩa – (24) | 6102306089 |
| 1 x Chốt giữ nắp 40S (8 chiếc mỗi máy) – (25) | 9911190315 |
Miếng đệm cho lỗ của bộ gia nhiệt chống ngưng tụ – (26) | 9909509055 |
| Rotor 1S B, B14 – (27) | 2001063008 |
Rotor 2S B, B14 – (27) | 2001063009 |
| Rotor 3S B, B14 – (27) | 2001063010 |
Rotor 1L B, B14 – (27) | 2001063011 |
| Rotor 2L B, B14 – (27) | 2001063012 |
Rotor 3L B, B14 – (27) | 2001063013 |
| Rotor VL B, B14 – (27) | 2001063014 |
Rotor 1S B, MD35 – (27) | 2001063001 |
| Rotor 2S B, MD35 – (27) | 2001063002 |
Rotor 3S B, MD35 – (27) | 2001063003 |
| Rotor 1L B, MD35 – (27) | 2001063004 |
Rotor 2L B, MD35 – (27) | 2001063005 |
| Rotor 3L B, MD35 – (27) | 2001063006 |
Rotor VL B, MD35 – (27) | 2001063007 |
| Quạt ECO40B – (28) | 6102217356 |
Vòng bi sau 6318-2RS C3 – (29) | 9900905140 |
| Phần ứng Exciter H-70 12P (1S-2S-3S-1L) – (30) | 4500568223 |
Vòng bảo vệ côn cho phần ứng của máy kích thích – (31) | 9911153040 |
| Phần ứng máy kích thích vòng an toàn – (32) | 7502225152 |
Diode xoay T 18 / A – (33) | 6101001003 |
| Bộ đĩa SAE 14 (35 + 8×37 + 6×36) – (34) | 0390700500 |
Bộ đĩa đĩa SAE 18 (35 + 8×37 + 36) – (34) | 0390700501 |
| Vòng bi trước 6322-2RS C3 – (38) | 9900901126 |
Hộp thiết bị cuối được sơn, ECO40C (1 + 2 + 3 + 4 + 5 + 8 + 9 + 10 + 12) | 03 915 02 *** |
| Bộ USB2DxR | 0392050060 |
Tham khảo: Phụ tùng ECP34C
Tham khảo: Phụ tùng ECO38C
MECC ALTE VIỆT NAM
Địa chỉ: Cầu Sài Gòn, Chung cư L4, Khu Vinhomes Tân Cảng, Điện Biên Phủ, Phường 22, Bình Thạnh, Thành phố Hồ Chí Minh.
Trang web: https://meccalte.vn/
Điện thoại: 0931 004 606
Email: meccaltevn@gmail.com




Đánh giá
Chưa có đánh giá nào.